連接件模型
Connector Model
Connector Model
聯系APAS / Contact us
- 地址:天津市西青經濟技術開發區賽達國際工業城A3-2.
- 郵箱:lxc@apas.com.cn
- 電話:022-87920088
- 傳真:請聯系網絡管理員
- 郵編:300385
- 咨詢熱線:13702119190(24小時服務熱線)
連接件模型
/ Connector Model

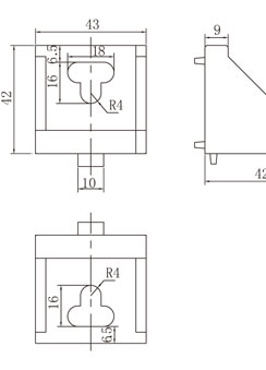
45系列鋁型材鑄鋁角件3d模型
產品描述 / Name
45系列鋁型材鑄鋁角碼用于4545規格鋁型材框架結構的連接組裝,起固定支撐作用;可以下載鑄鋁角碼SLDWORKS三維模型進行框架的設計組裝;
022-87920099
可以根據需求進行設計加工,提供上門安裝服務;可以根據特殊需求進行鋁型材開模定制。
* 免費提供工業鋁型材選型手冊 →點擊咨詢
內容來源:http://m.hnwcls.com 作者:武將 發布日期:2020年03月27日 10時06分 閱讀次數:2788 次
| 45系列鋁型材鑄鋁角件適用于槽10規格鋁型材框架直接結構的固定連接,起固定支撐作用;鑄鋁角件裝配通常會采用T型螺栓及法蘭螺母配合使用,是較為常用的緊固連接配件之一; |
![]() ![]()
|
| 鑄鋁角件與型材角件不同之處在于,型材角件韌性高,不易炸裂,但材質較軟、易變形,而鑄鋁角件強度高,韌性低,在低溫環境中受到較大扭力時容易出現炸裂現象; |
|
槽型規格
|
螺紋
|
材質
|
訂貨編號
|
|
槽10
|
M8×20
|
鑄鋁
|
CE-SB4545-10
|
聯系APAS/ Contact us
天津艾普斯工業鋁型材股份有限公司
聯系電話:022-87920088
企業傳真:(避免惡意廣告)請聯系該企業網絡管理員
服務熱線:13702119190 (24小時服務熱線)
Q Q:534973906
企業郵箱: lxc@apas.com.cn
企業地址:天津市西青經濟技術開發區賽達國際工業城A3-2
聯系電話:022-87920088
企業傳真:(避免惡意廣告)請聯系該企業網絡管理員
服務熱線:13702119190 (24小時服務熱線)
Q Q:534973906
企業郵箱: lxc@apas.com.cn
企業地址:天津市西青經濟技術開發區賽達國際工業城A3-2
采購意向留言:* 為必填












-02工廠車間工作臺主圖.jpg)


QQ咨詢
電話聯系
聯系電話

在線留言
樣冊下載
