連接件模型
Connector Model
Connector Model
聯系APAS / Contact us
- 地址:天津市西青經濟技術開發區賽達國際工業城A3-2.
- 郵箱:lxc@apas.com.cn
- 電話:022-87920088
- 傳真:請聯系網絡管理員
- 郵編:300385
- 咨詢熱線:13702119190(24小時服務熱線)
連接件模型
/ Connector Model

30系列鋁型材內置連接件3d模型
產品描述 / Name
3030規格鋁型材內置連接件適用于槽8規格鋁型材框架結構直角或結構十字連接,屬于內部連接結構,可以下載內置連接配件SLDWORKS三維模型進行框架結構的設計組裝;
022-87920099
可以根據需求進行設計加工,提供上門安裝服務;可以根據特殊需求進行鋁型材開模定制。
* 免費提供工業鋁型材選型手冊 →點擊咨詢
內容來源:http://m.hnwcls.com 作者:武將 發布日期:2020年04月07日 10時27分 閱讀次數:2922 次
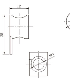
| 該規格內置連接配件適用于30系列槽8規格鋁型材之間的直角或十字連接,裝配時需要在鋁型材規定位置打安裝工藝孔,將配件置入工藝孔內,同時將彈性螺母塊放入另一型材槽內鎖緊即可; |
![]() ![]()
|
| 內置連接件材質為鋅合金材料,物理強度高,韌性卻相對較低,表面經過鍍鋅處理很大程度提升了內置連接件的抗腐蝕能力;內置連接件屬于內部緊固連接配件,適用于特殊連接需求的內部鏈接組裝結構,安裝前需要對鋁型材進行精加工處理,對于尺寸精度要求較為嚴格; |
|
槽型規格
|
安裝工藝尺寸
|
材質
|
訂貨編號
|
|||
|
孔徑
|
孔深
|
孔距
|
螺栓長度
|
|||
|
槽8
|
φ15
|
13
|
16.5
|
M6×22
|
鋅合金
|
CE-BJ15-8-30
|
聯系APAS/ Contact us
天津艾普斯工業鋁型材股份有限公司
聯系電話:022-87920088
企業傳真:(避免惡意廣告)請聯系該企業網絡管理員
服務熱線:13702119190 (24小時服務熱線)
Q Q:534973906
企業郵箱: lxc@apas.com.cn
企業地址:天津市西青經濟技術開發區賽達國際工業城A3-2
聯系電話:022-87920088
企業傳真:(避免惡意廣告)請聯系該企業網絡管理員
服務熱線:13702119190 (24小時服務熱線)
Q Q:534973906
企業郵箱: lxc@apas.com.cn
企業地址:天津市西青經濟技術開發區賽達國際工業城A3-2
采購意向留言:* 為必填


.jpg)












QQ咨詢
電話聯系
聯系電話

在線留言
樣冊下載
